Product Summary
The UA78M05HC is a 3-terminal medium current positive voltage regulator. It is constructed using the fairchild planar epitaxial process. The UA78M05HC is intended as fixed voltage regulator in a wide range of applications including local(on-card) regulation for elimination of noise and distribution problems associated with single-point regulation. In addition to use as fixed voltage regulator, the UA78M05HC can be used with external components to obtain adjustable output voltages and currents.
Parametrics
UA78M05HC absolute maximum ratings: (1)storage temperature range:-65 to +175℃; (2)operating junction temperature range:0 to +150℃; (3)lead temperature:300; (4)power dissipation:internally limited; (5)input voltage:35V.
Features
UA78M05HC features: (1)output current in excess of 0.5A; (2)no external components; (3)internal thermal overload protection; (4)internal short circuit current-limiting; (5)output transistor safe-area compensation; (6)available in JEDEC TO-39 package; (7)output voltageso f5V; (8)available in extended temperature range.
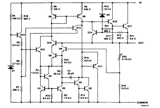
Diagrams

![]() |
![]() UA7805CKC |
![]() Texas Instruments |
![]() Linear Regulators - Standard 5.0V 1500mA |
![]() Data Sheet |
![]() Negotiable |
|
||||||||||||
![]() |
![]() UA7805CKCE3 |
![]() Texas Instruments |
![]() Linear Regulators - Standard 5V 1.5A Fixed Pos Voltage Regulator |
![]() Data Sheet |
![]() Negotiable |
|
||||||||||||
![]() |
![]() UA7805CKCS |
![]() Texas Instruments |
![]() Linear Regulators - Standard Positive V |
![]() Data Sheet |
![]()
|
|
||||||||||||
![]() |
![]() UA7805CKCSE3 |
![]() Texas Instruments |
![]() Linear Regulators - Standard Positive V |
![]() Data Sheet |
![]()
|
|
||||||||||||
![]() |
![]() UA7805CKCT |
![]() Texas Instruments |
![]() Low Dropout (LDO) Regulators 3P 1.5A Fixed 5V Pos Vltg Reg |
![]() Data Sheet |
![]()
|
|
||||||||||||
![]() |
![]() UA7805CKTER |
![]() Texas Instruments |
![]() Linear Regulators - Standard 5.0V 1500mA |
![]() Data Sheet |
![]() Negotiable |
|
||||||||||||
(China (Mainland))









