Product Summary
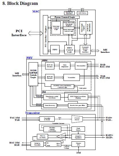
The RTL8110S-32 is a highly integrated, cost-effective single-chip Fast Ethernet controller that provides 32-bit performance, PCI bus master capability, and full compliance with IEEE 802.3u 100Base-T specifications and IEEE 802.3x Full Duplex Flow Control.
Parametrics
RTL8110S-32 absolute maximum ratings: (1)Minimum High Level Output Voltage: Vcc V; (2)Maximum Low Level Output Voltage: 0.1 * Vcc V; (3)Minimum High Level Input Voltage: 0.5 * Vcc to Vcc+0.5 V; (4)Maximum Low Level Input Voltage: -0.5 to 0.3 * Vcc V; (5)Input Current VIN=VCC or GND: -1.0 to 1.0 uA; (6)Tri-State Output Leakage Current VOUT=VCC or GND: -10 to 10 uA; (7)Average Operating Supply Current: 330 mA.
Features
RTL8110S-32 features: (1)100 pin OFP/LQFP; (2)integrated fast ethernet MAC, physucal chip and transceiver in one chip; (3)10 Mb/s and 100 Mb/s operation; (4)supports 10 Mb/s and 100 Mb/s N-way auto-negotiation operation; (5)Support 25MHz cystal or 25MHz OSC as the internal clock source. The frequency deviation of either crystal or OSC must be within 50 PPM.
Diagrams

![]() |
![]() RTL8019 |
![]() Other |
![]() |
![]() Data Sheet |
![]() Negotiable |
|
||||
![]() |
![]() RTL8019AS |
![]() Other |
![]() |
![]() Data Sheet |
![]() Negotiable |
|
||||
![]() |
![]() RTL8019AS-LF |
![]() Other |
![]() |
![]() Data Sheet |
![]() Negotiable |
|
||||
![]() |
![]() RTL8029AS |
![]() Other |
![]() |
![]() Data Sheet |
![]() Negotiable |
|
||||
![]() |
![]() RTL8100B(L) |
![]() Other |
![]() |
![]() Data Sheet |
![]() Negotiable |
|
||||
![]() |
![]() RTL8100C |
![]() Other |
![]() |
![]() Data Sheet |
![]() Negotiable |
|
||||
(China (Mainland))








